Standard qualification procedure for manual welding technique
KS B 2332:2016
2021년 09월 03일 확인
e나라표준인증 검색페이지
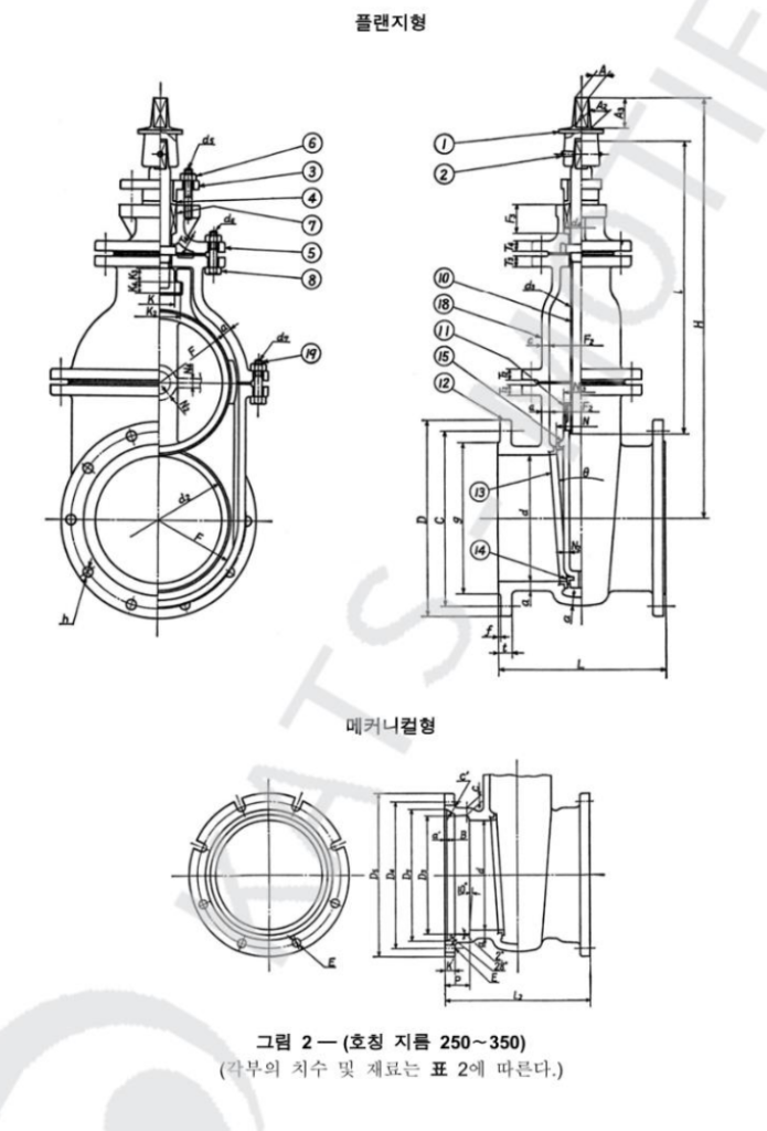
이 표준은 최고 사용 압력 0.74 MPa의 제수 밸브(이하, 밸브라 한다.)에 대하여 규정한다.














Standard qualification procedure for manual welding technique
KS B 2332:2016
2021년 09월 03일 확인
e나라표준인증 검색페이지
이 표준은 최고 사용 압력 0.74 MPa의 제수 밸브(이하, 밸브라 한다.)에 대하여 규정한다.














댓글