| K-water 상수도공사 설계지침(2022.36차) 中 |
5.2.14 관의 기초
상수도 도수시설설계기준「KDS 57 50 00」의 “2.14 관의기초”를따른다.
단, 아래의 관종별, 토질조건별 상세 검토사항을 포함하여 검토 하도록 한다.
(1) 도복장강관 관로의 기초처리
– ① 관두께 결정시 토질조건에 부합하는 토사 지반의 경우
가. 원지반의 토질조건이 양호할 경우
추가굴착을 하지 않고굴착된원지반을 별도처리 없이관부설을 할 수 있으나, 굴 착면의 요철은평활하게 처리 하여야한다.
나. 원지반의 토질조건이 양호하지 않을 경우
<표 5.2-2>와 같이 관저에서 추가 굴착하고 양질의 토사로 굴착 바닥면에서 관저 5㎝까지는 소요다짐도로 충분히 다지고, 관저까지 잔여 5㎝는 느슨하고 평활하게 포설하여관로에국부적 응력 집중이나도복장부의손상이 없도록하여야한다.

– (가) 관저 바닥에 포설 할 양질의 토사는 <표 5.2-3>의 입도 범위내에 있거나 설계 자가 토질시험결과및 기타 관련 기술자료에의해 결정한 재료를 말한다.
– (나) 지반이 대체적으로 양호하여, 국부적인 응력 집중을 일으킬 수 있는 큰입경의 암석등을 제거함으로서 <표 5.2-3>의 입도범위내에 해당할 경우 굴착계획고 5 ㎝(깊이 방향) 범위내의 허용오차로 굴착하고, 과굴착된 부위는 아래의 양질의 토사를 포설하여 관저 처리를할수있다.

– (다) 원지반의 자연함수비가 높고 장기압밀이 예상되는 지역에 양질의 토사를 포설하는 경우 지반 간극수의 배수를 촉진시켜 관로의 침하를 유발시킬 수 있으므 로사용상주의를요하며, 다짐상태에서 투수계수가낮게유지될수있는재료 를별도선정하여야한다.
– (라) 관부사 재료등 조립질의 양질토사에 대한 품질관리는 상대밀도(Dr. ; KS F 23 45 <비점토성의상대밀도시험방법>)에 의거 시험되어야 한다.
– ② 관두께 결정시 설정된 토질조건에 부합하지 않는 연약지반의 경우 <그림 5.2-6>와 같 이 관저 50㎝ 또는 관경의 0.3~0.5배(최대 100㎝ 이하)의 깊이로 추가굴착하고, 관저 의 폭은 관경의 2~3배로 굴착하여 양질토를 포설 다짐하거나, 또는 지반을 효과적으 로 보강하여 관로의 안정성을 확보할 수 있는 기초처리 공법을 이용하여야 한다. 치환된 양질토사의 다짐 기준은 최소한 관두께 결정시 고려된 조건 이상이어야 한다.

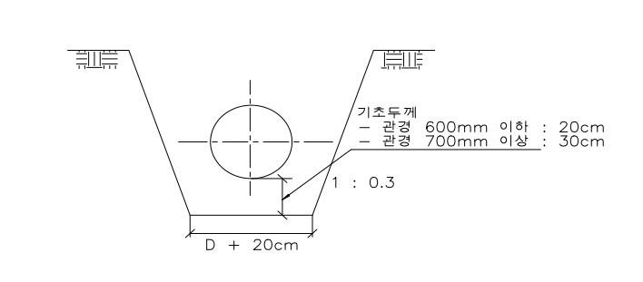
– ③ 암반층이나 입경200㎜ 이상의 느슨한 자갈층의 경우
가. <그림 5.2-7>과 같이 관저 30㎝(관경이 600㎜ 이하의 경우 20㎝) 깊이로 추가굴착 을하여야하고, 관저의 폭은 “관경+ 20㎝” 로굴착하여야한다.
나. 모래 등 위에서 언급된 양질의 토사로 지지층을 포설․다짐하고 관부설이 끝날때까 지 건조한 상태를 유지하도록 하여야 하며, 국부적인 집중하중이나 도복장부가 손 상되지 않도록하여야한다.

D+20cm
그림 5.2-7 암반부의 터파기 폭(토피가 7m 이내인 경우)
– ④ 원지반의 토질조건이 양호하여 굴착 바닥면에 양질토사의 포설을 별도로 하지 않는 구간이더라도 시공도중 풀․나무뿌리 등 유기물, 국부적인 응력 집중을 일으킬 수 있는 단단한 물질 및 암석 등을 일부 포함하는 경우에는 해당부위를 관저 15㎝ 이상 추가 굴착하여이를제거하고 양질의토사로치환하여야한다.
(2) 덕타일주철관의연약지반관로기초처리
– ① 덕타일주철관의 각종이음의 굴곡허용각도는 <표 5.2-4>과 같이 1~5°이며, 이 각도 범 위내의 관로는지반침하에순응할수있다.
– ② 연약지반에 매설해야 할 경우유지관리용 도로축조 계획을 연계한상재하중의 증가분 을 검토하여 필요에 따라 별도의 지반개량 또는 하중지지 방안을 강구하여야 한다. 단, 이 경우 경미한 연약지반에 대해서는 토질조사 결과에 따른 관로의 침하량을 산 출하고 관이음의 허용변위량내에 들어가면 관저부를 관경 정도의 두께까지 모래 등으 로 치환하여 관로의 침하를 수용할 수 있도록 하여야 하며, 모래를 치환재로 선정할 때는 치환재로 형성된 모래층이 오히려 배수층이 되어 관주변의 지하수 유출을 촉진 시켜하부의 연약층이침하될수있으므로, 이에대한대책을수립하여야한다.
– ③ 지층이 급격히 변화하는 경우나 기초처리된 구조물부터 연약지반에 부설되는 경우에 는관로의부등침하를일으키기쉽기때문에다음과 같은 대책이필요하다.
– 가. 기초공을설치하고신축성이 큰이음을 적절한위치에사용한다.
– 나. 예상침하량이 크게 나타나서 이음부가 이탈될 것으로 예상되는 경우에는 모래 등 으로 원지반을 치환하거나, 침목을 관 길이 방향으로 상호 연결한 사다리 기초를 병용하여 신축성을 크게하고 동시에 이탈방지 압륜과 이탈방지 체결구 등 이탈방지이음을사용한다.

(3) 유리섬유강화 플라스틱관관로의기초처리
유리섬유강화 플라스틱 관로의 기초처리는 (1) 도복장강관 기초처리에 준하여 처리하되 굴착바닥에서150㎜ 이상 양질의모래를포설한다.
댓글