상하수도협회
KWWA D 103
1989년 11월 16일 정, 2017년 10월 17일 폐지됨.
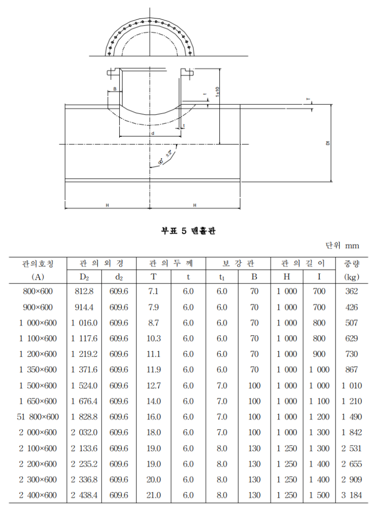
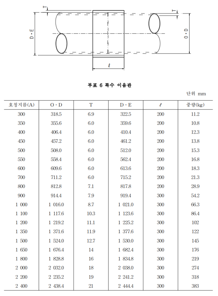
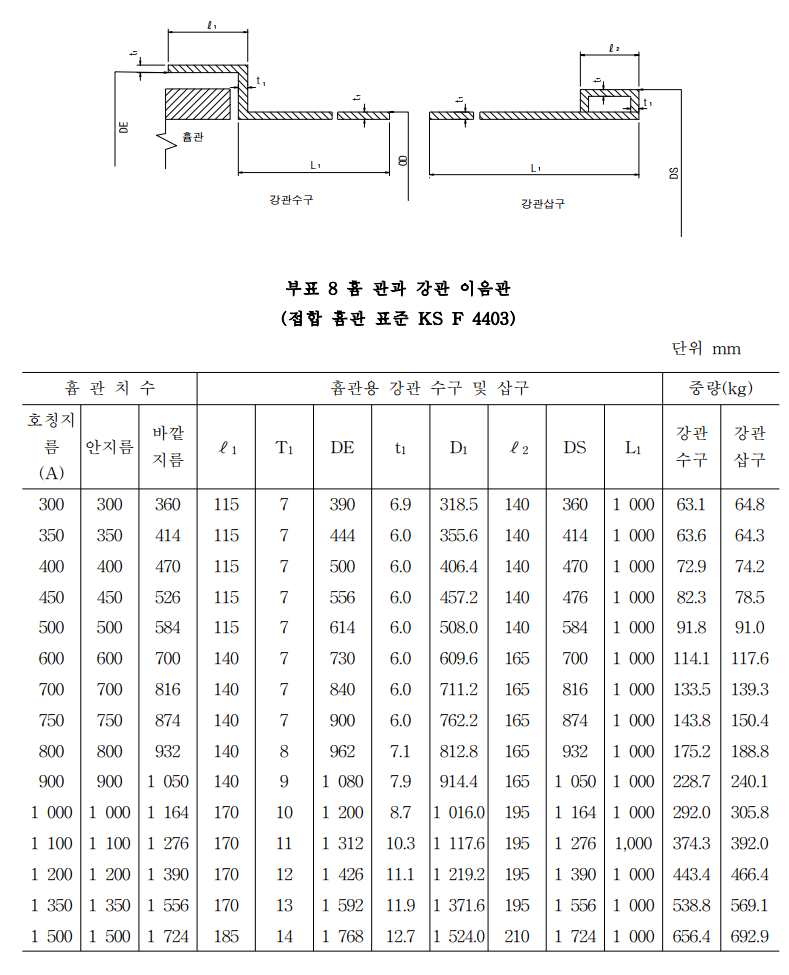
이 표준은 KS D 3578 (수도용 도복장 강관 이형관) 에 규정된 표준 이외에 사용빈도가 높은 1650A 이상의 특수 이형관에 대하여 규정한다.










상하수도협회
KWWA D 103
1989년 11월 16일 정, 2017년 10월 17일 폐지됨.
이 표준은 KS D 3578 (수도용 도복장 강관 이형관) 에 규정된 표준 이외에 사용빈도가 높은 1650A 이상의 특수 이형관에 대하여 규정한다.










댓글