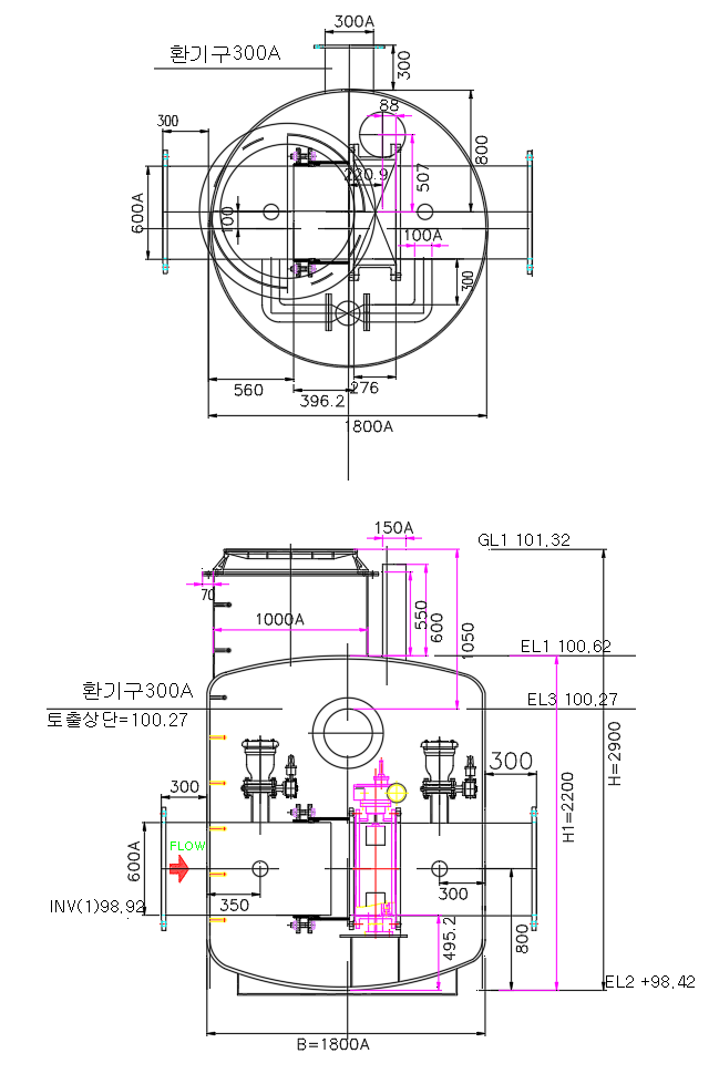
[도면] 제수밸브실 일체형 복합패널 게시일: 2024년 09월 17일업데이트 날짜: 2024년 09월 28일게시자: HG카테고리:03.밸브실 일체형 제수밸브실 도면_복합패널.dwg HG heygaso.synology.me
댓글