Cast Iron_Cast steel Manhole covers and frames
SPS-KFCA-M201-1639
2014년 8월 25일 개정
https://www.e-ks.kr/KSCI/ct/ptl/main.do
이 표준은 주로 상수도, 하수도, 전기용, 통신용 및 각종 배송관로에 사용되는 주철_주강재 맨홀뚜껑 및 틀에 대하여 규정한다.
3. 종 류

3.2 뚜껑 및 틀의 규격별 종류 및 무게는 표 2 에 따른다.


4. 겉모양
a) 겉모양은 파손,균열,수축공 및 블로홀 등 사용상 해로운 결함이 없어야 한다.
b) 뚜껑과 틀은 잘 맞아야 하며, 뚜껑과 틀이 접하는 면은 정밀가공 또는 이에 준하는 평활도 및 표면조 도를 유지하여야 하며 조립시 흔들림이 없어야 한다.
c) 뚜껑과 틀은 내면ㆍ외면을 깨끗이 하여 가공 타르를 소부 도장하거나 또는 정제 타르에 수지 도료를 가한 것으로서 상온도장에 적합하고 건조가 빠르며 내후성이 좋은 것으로 도장하여야 한다.
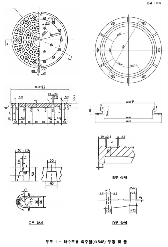
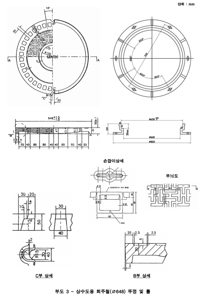
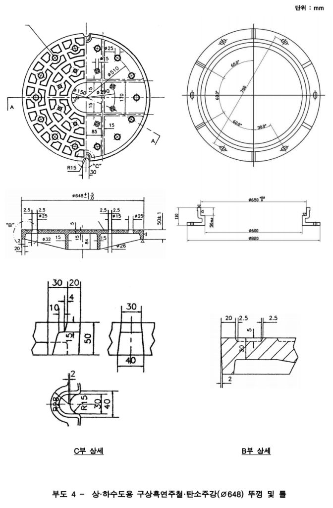
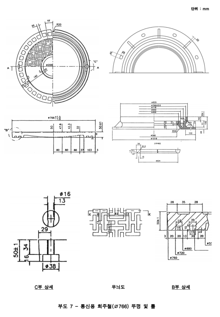
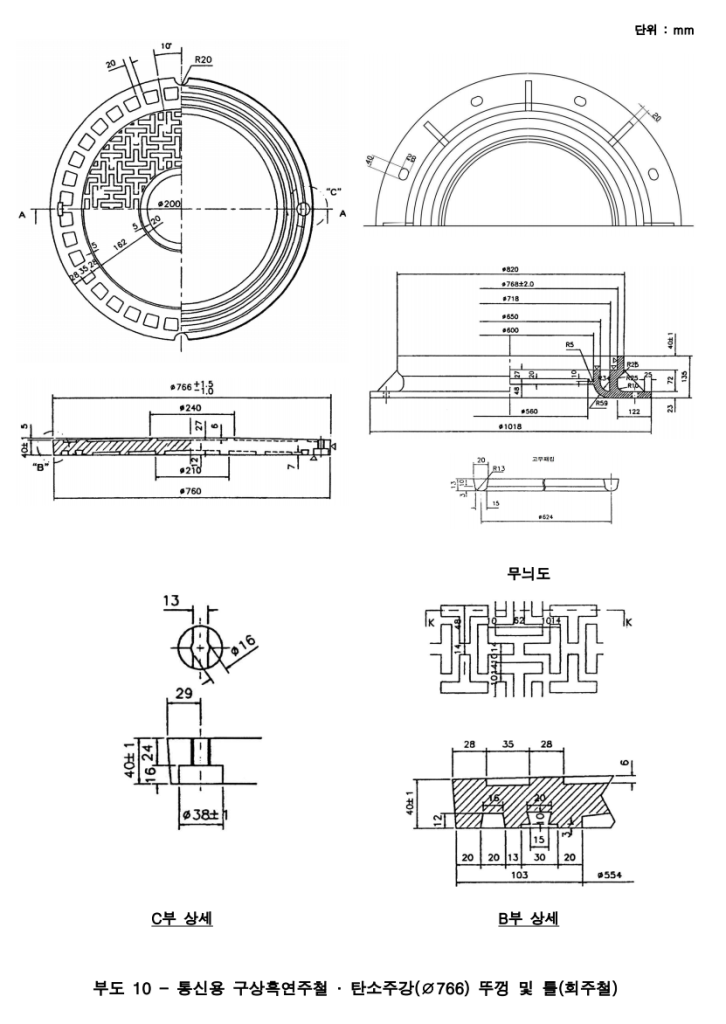
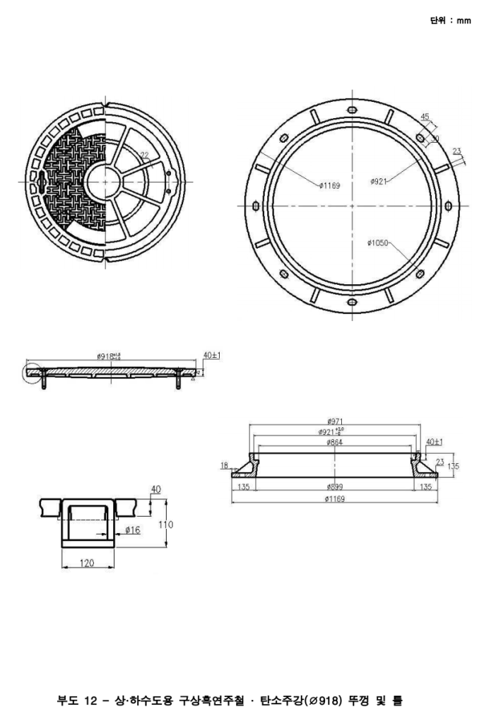
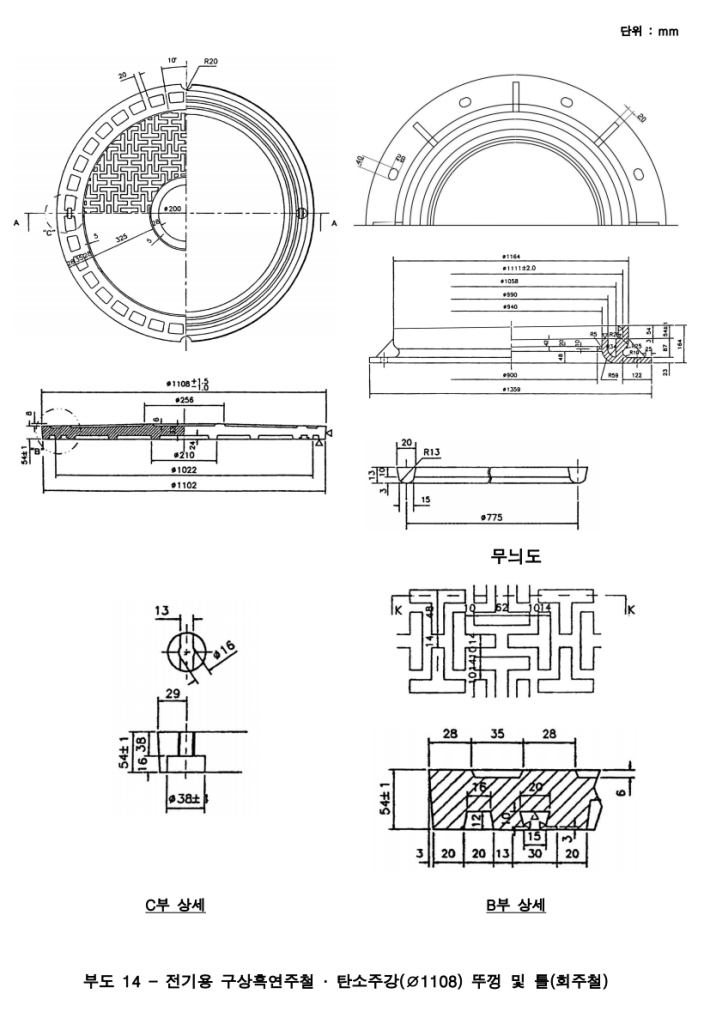
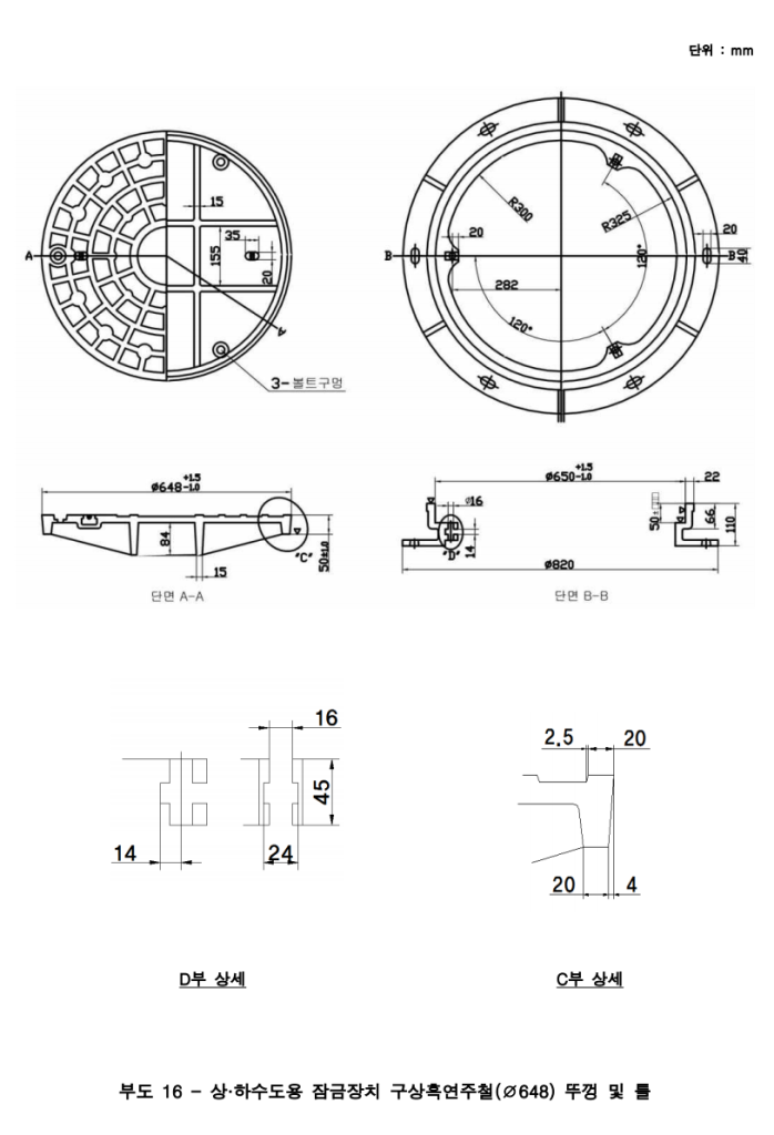
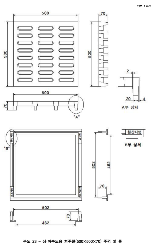
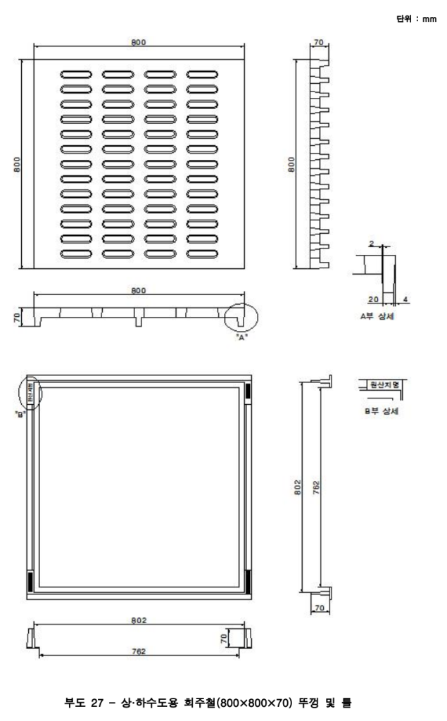
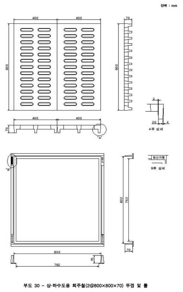
d) 뚜껑 및 틀의 모양과 상면 문양은 부도 1∼81에 따른다. 다만 특별히 주문자의 요구가 있을 경우 이에 따를 수 있다.
5. 구조
a) 조립시 틀의 내측 상부에 뚜껑이 올려진 상태에서 틀의 내측 상단과 뚜껑의 외측 상단이 수평으로 일치되고 뚜껑이 틀의 내부를 덮을 수 있는 구조적 모양을 갖추어야 한다.
b) 뚜껑의 틀은 이탈등안전사고및소음을방지할수있는구조와모양(부도외잠금장치기능을포함한 다.)을갖출수있다, 이경우뚜껑및틀의형상및구조와치수는 주문자와 제조자 사이의 협의에 따 른다.
c) 틀의높이조절기능을갖출수도있다.이경우뚜껑및틀의형상및구조와치수는주문자와 제조자 사이 의협의에따른다.
d) 빗물 유입방지 등 부가기능을 위한 형상 및 구조와 치수는 주문자와 제조자 사이의 협의에 따른다. e) 주문자의 요구에 따라 뚜껑의 수 및 손잡이와 속 뚜껑을 설치할 수 있다.
6. 치수
뚜껑 및 틀의 외측 치수는 부도 1∼81 에 따른다. 다만 허용차가 없는 치수의 허용차는 표 3 에 따르고 외측 치수 이외의 치수는 참고 치로 한다.

7. 재료

8. 무게
뚜껑 및 틀의 무게는 표 2 의 값 이상 이어야 한다. 다만 부도외의 잠금장치형 또는 특수형은 표 2 의 원형(각형제외)무게를 기준으로 뚜껑 및 틀 구분 없이 90% 이상 이어야 한다.
9. 성능
9.1일반 요구사항
뚜껑 및 틀의 일반요구사항은 KSD 4040에 따른다.
9.2정하중
9.2.1적용 기준
뚜껑 및 틀의 정하중 시험은 9.2.2에 따라 시험하였을 때 표 5 에 규정한 하중에 견디어야 하며, 하중을 제거하였을 때 잔류변형이 없어야한다.



































엄청 많음……………….
댓글