Manhole covers and frames
KS D 6021:2007
2007년 7월 30일 개정 (2013년 12월 30일 활용도 감소로 폐지됨)
e나라표준인증 검색페이지
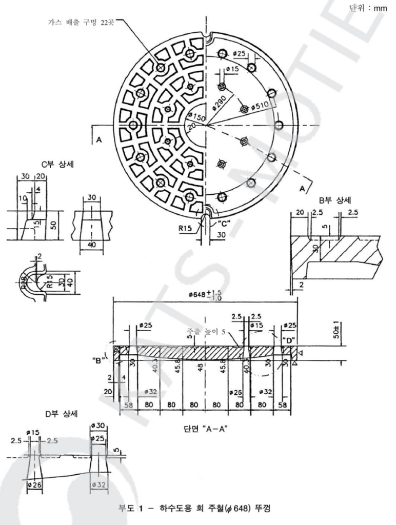
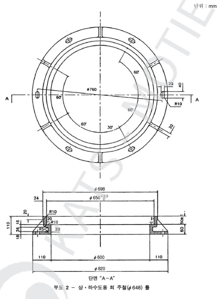
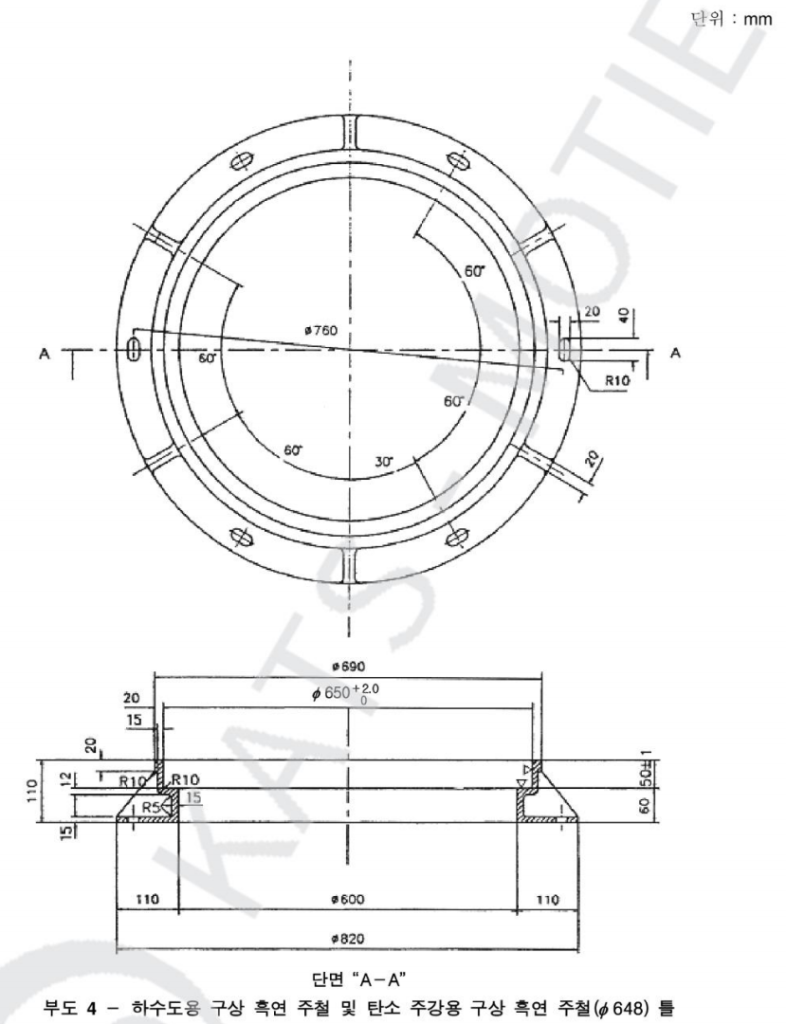
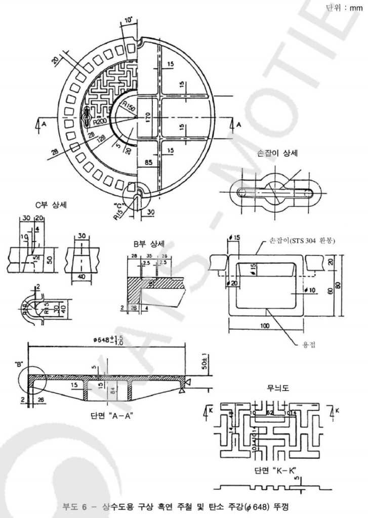
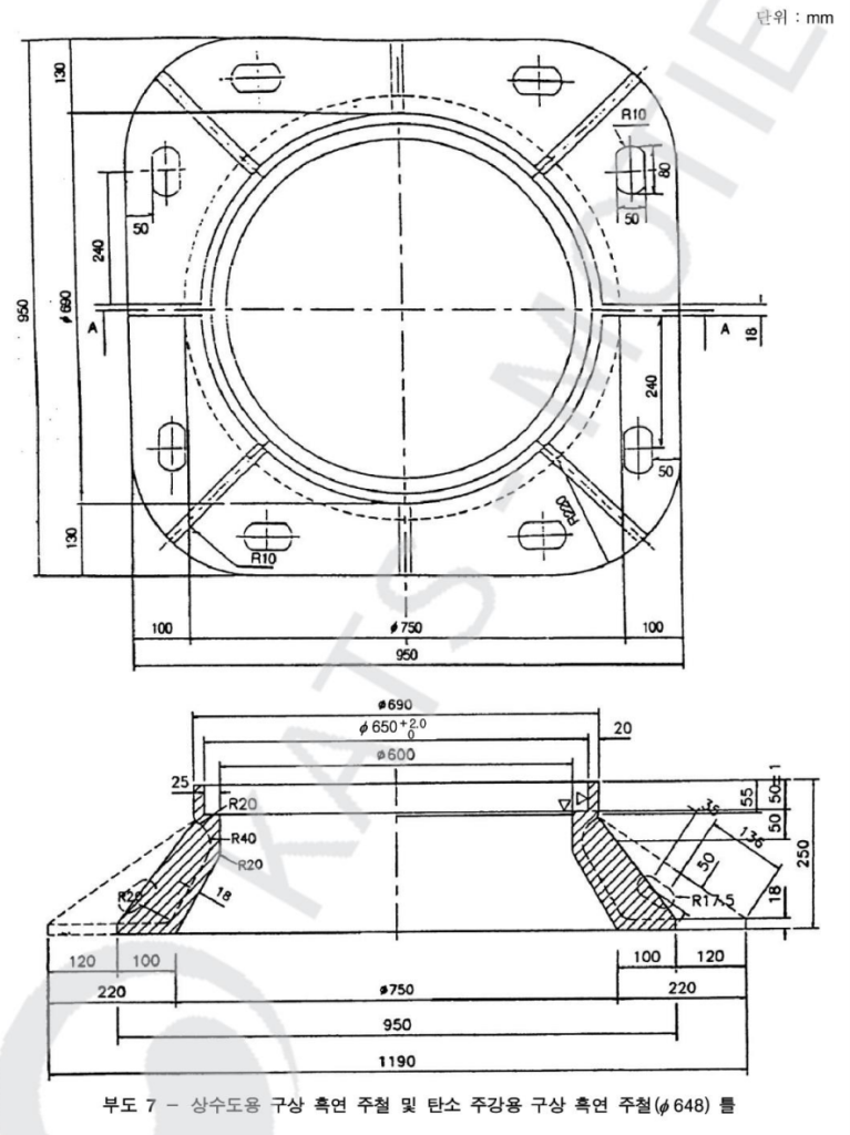
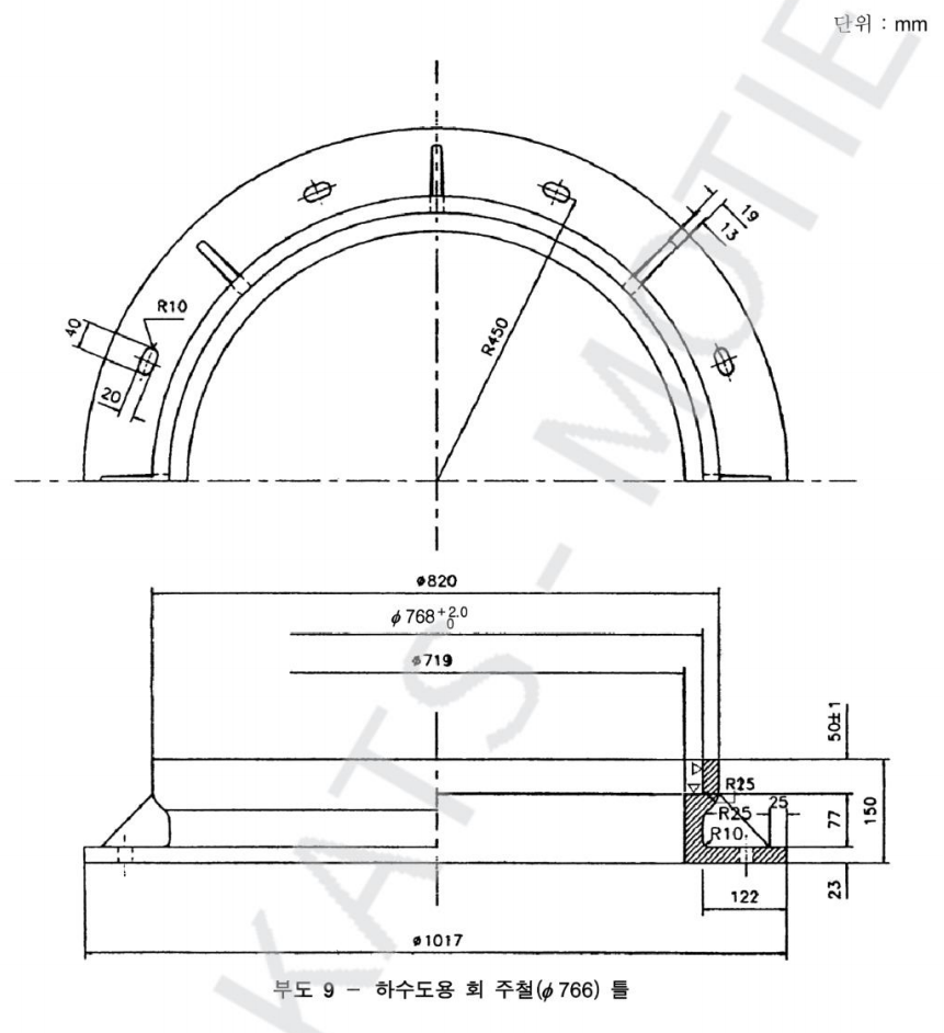
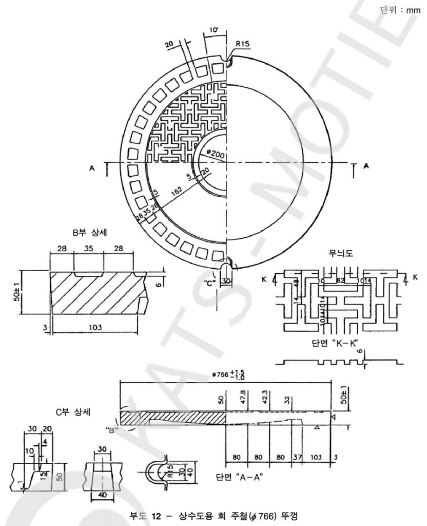
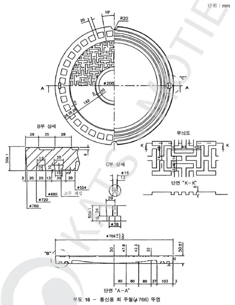
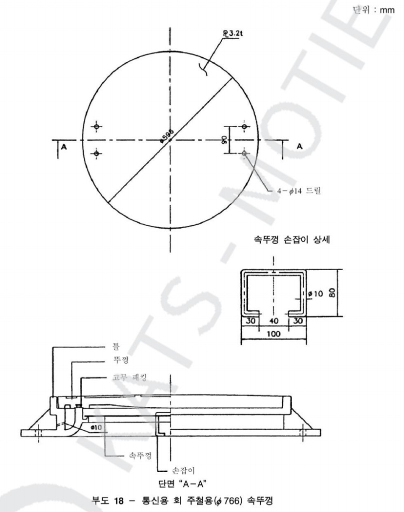
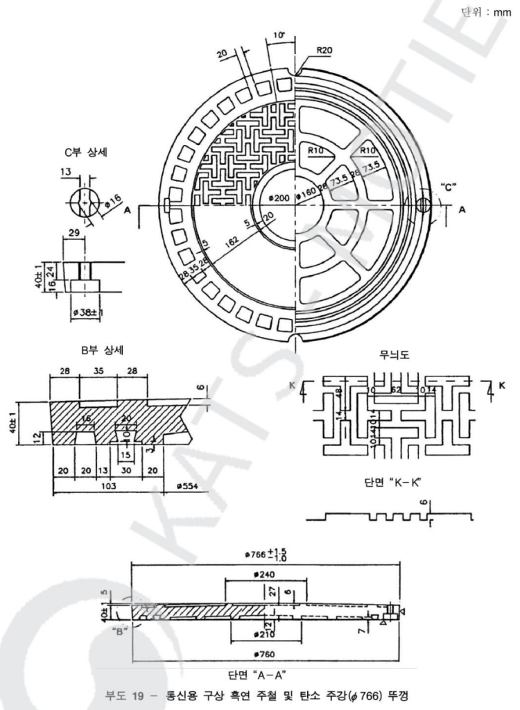
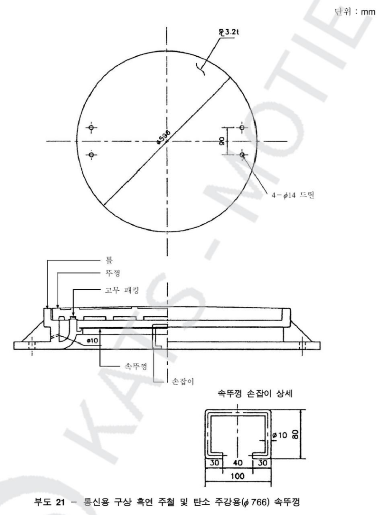
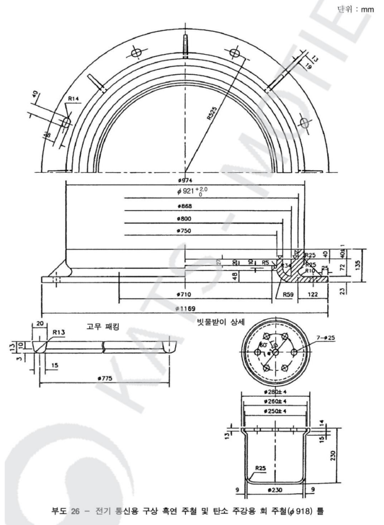
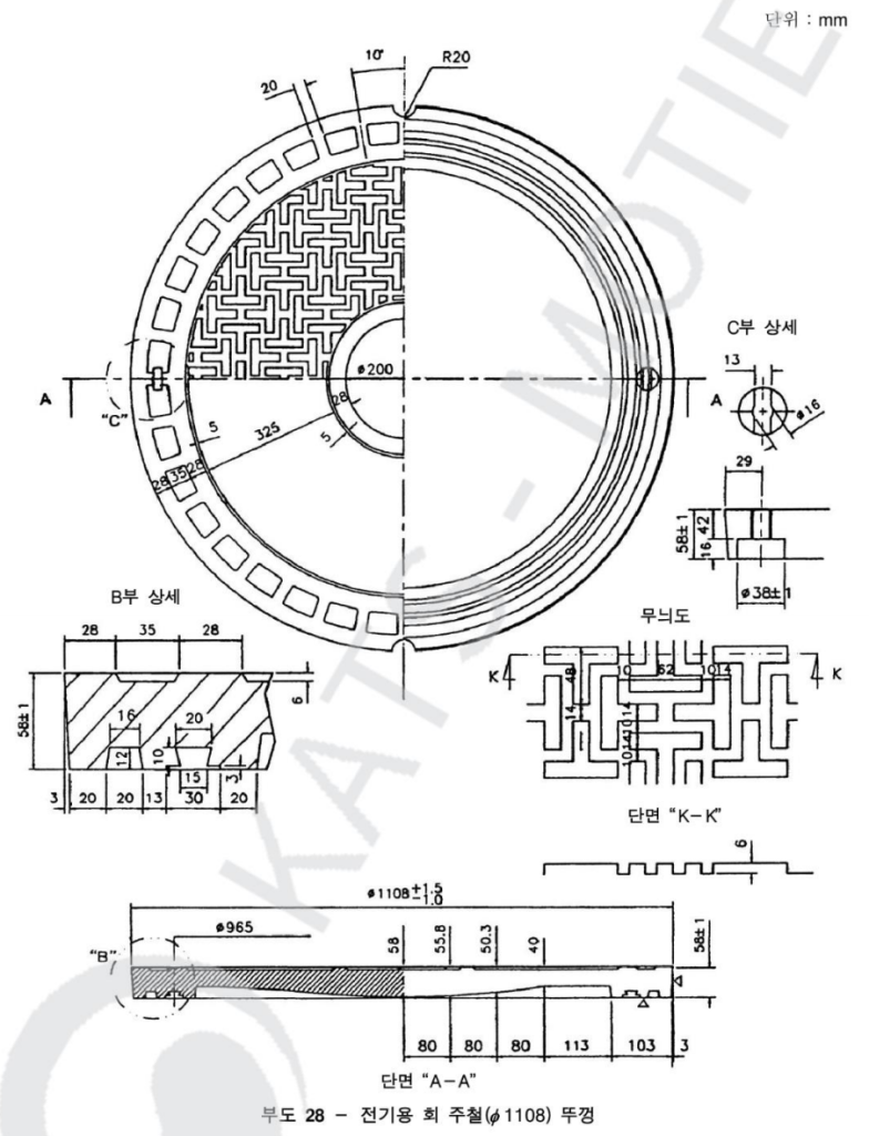
이 규격은 상하수도 전기 통신용 맨홀 뚜껑 및 틀에 대하여 규정한다.











































Manhole covers and frames
KS D 6021:2007
2007년 7월 30일 개정 (2013년 12월 30일 활용도 감소로 폐지됨)
e나라표준인증 검색페이지
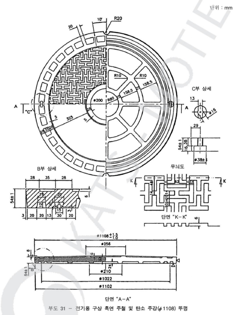
이 규격은 상하수도 전기 통신용 맨홀 뚜껑 및 틀에 대하여 규정한다.











































댓글